项目简介
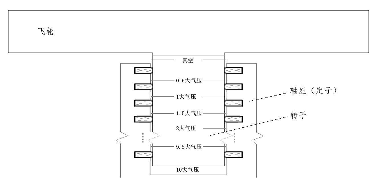
空气悬浮轴承在飞轮储能电池(FES)中的利用 一、背景技术: 悬在天空的太阳发生的核聚变是我们取之不尽也用之不竭的清洁能量的来源,人类已经可以用现代科技通过太阳能电池板及风力发电装置对其免费利用。但是受到天气及自然规律的限制,其难以克服的波动性,使之变成不可控的核聚变,一般是通过安装蓄电装置作为缓冲来实现平稳地输电。 1.1储能装置的缺陷 现有技术的储能方式也有着致命的缺陷,一类是化学能方式,如铅酸蓄电池、锂电池等这类存储的电池存在的问题主要是电池寿命的衰减,衰减不但带来电池本身的成本,而且带来更换电池本身的附加成本,如人工、废旧电池处理等。另一类是机械储能方式,比如空气压缩、蓄水储能、飞轮储能电池(FES) (图1)等,我们主要讨论的是FES。 1.2飞轮储能电池的缺陷 FES一般来说是飞轮底部的推力轴承通过推力轴承将飞轮托起,飞轮在旋转的过程中蓄能,如图1,根据轴承的分类,FES主要分为两类,一类是超导磁悬浮轴承,另一类是机械轴承类的推力轴承。超导磁悬浮轴承的摩擦力非常小,但是它的造价和使用成本很高。机械类的推力轴承,它的造价虽然相对较低,但是存在轴承磨损的问题,磨损必然带来更换等各种成本。屈于这些缺点,FES仅在大功率、短时间输出的场景有着广泛的应用,比如数据中心、医院等不能停电的场所不计成本的应用,充当柴油机等备用发电机的中间过渡功能,在一些场景中甚至是不可或缺的储能方式。遗憾的是,现有的FES缺陷使其造价过高,让它在清洁能源的领域并没有实用性。 二、技术内容 2.1设计目标 下面主要介绍的是针对FES类型的一种创新技术,来设计出一种廉价的、“没有衰减”的大推力轴承,以及轴承在飞轮储能电池上的应用,解决支撑飞轮的推力轴承的磨损、推力小以及造价高的关键问题,并利用飞轮本身不会衰减的特性,变相地解决可控核聚变的问题。 我们知道,现有FES技术中受到(推力轴承)推力小的技术限制,只能采用小质量的飞轮以较高的转速来获得更大的、有实用性的储能密度,因此,现有FES系统较大一部分成本也在于飞轮本身,特别是超导磁悬浮飞轮电池,飞轮的质量约10kg的量级,旋转速度达到30000-200000转/min(500-3000转/秒,<百度百科>),强大的离心力使飞轮的材质、加工精度、造价都级数上升,同时为了减小“离心力”,只能降低飞轮的直径,经典的超导磁悬浮飞轮电池的飞轮直径是750px,即使是机械类的推力轴承,也要充分的在飞轮质量、转速、磨损中充分地权衡。 太原网健科技有限公司于2017年年初提出一项创新的解决方案,设计了一种“零”磨损、大推力的轴承结构,并通过牺牲飞轮转速的同时增加飞轮质量来降低制造成本,目的是通过廉价的飞轮储能装置,变相地来解决可控核聚变的问题。 2.2、空气悬浮轴承技术 用一句话来概括这个技术:就是利用飞轮底部的高压空气,将大质量的飞轮悬浮起来,再用流体密封技术将高压空气密封。 图2中,空气被压缩的时候,压力越大,空气的体积越小,但是始终不会被压缩成体积为0,从理论上说,足够大的空气压力可以悬浮任意大质量的飞轮。该方案就是通过高压空气的作用力将大质量飞轮托起,由于飞轮的质量固定,因此,底部的空气保持一定的高压,可以将大质量飞轮保持平衡的悬浮。为了将飞轮保持悬浮,必须在空气会溢出的间隙内安装密封装置。 2.3流体密封技术 我们知道空气是最难密封的,这里对高压空气的密封,是使用了流体密封的技术方案,如图3,使用了若干流体密封环阻挡了空气的逃逸,与机械密封的差别在于该技术的密封环摩擦力非常小。 图4是该技术设计的FES的爆炸图,这里以一个飞轮为质量为2000Kg、直径约1.3米的飞轮,该飞轮储能电池分三个部分: 1、轴座(定子):固定在外壳底座的定子。 2、转子:同轴插套在轴座(定子)内的、飞轮固定成整体的转子。 3、电池外壳;将转子与轴座包含在其内,并将飞轮部分保持真空的装置。 4、流体密封结构,置于转子与轴座之间的间隙内,对高压空气起密封的作用。 大质量的飞轮与转子是固定为一体的,因此我们只研究由转子和轴座组成的推力轴承部分,图5的左图是转子与轴座(定子)插套后的组装图,右图是转子与轴座分离的示意图。这里,转子的外径比轴座的内径略小,同轴地插套后会形成微小的间隙,间隙内有所述的流体密封结构。 由于转子与飞轮是固定在一起的整体,我们将高压空气注入轴座的底部,流体密封环将空气密封,因此转子的底部与轴座之间的空间,会保持一定的高气压,并将转子连同飞轮一起托起,并保持悬浮的平衡状态。 下面对关键的流体密封技术做详细的介绍,我们看到轴座内部有互相平行的水平的圆圈,将其剖面放大,如图6中右侧的图是左侧的图中圆圈部分的放大图,可以看到由多条开设在轴座内壁的U形凹槽构成互相平行的环。 以任意两条相邻的凹槽做具体的分析,如图7所示:将转子插套入轴座后,转子与轴座之间会形成一个间隙,具体的技术特征是:凹槽内部的材质,与水银是浸润的关系,除了凹槽内部,间隙的壁面的材质与水银是不浸润的关系。 根据水银的特性,如图8所示的,右边的容器里盛的是水银,当一支两端开口的玻璃管插入到水银中后,水银的液面会下降,由于水银和玻璃是不浸润的关系,表面张力可以承受一定的液面的压力差。玻璃管的内直径越小,那么玻璃管中的液面下降的越多。 如图9,将凹槽内注满水银,水银会突出槽口并形成一个弧面,由于间隙很小,水银弧面部分会贴紧在转子的外表面上。充满凹槽的水银会形成一条水银环,相当于是一个密封环。并将水银环上下两部分的空气隔离开。同样的,水银环如同插在水银槽内的玻璃管内的水银,可以承受一定的上、下空气对他的轴向推(压)力,并且该间隙越小,承受的推(压)力也越大(箭头所指是切面的正视示意图)。 如果设定多条互相平行的水银环,阻挡空气压力差可以实现累加的效果。如图10,假设每条水银环可以承受0.5个气压从下向上对水银环的作用,那么20条相同的水银环可以承载转子底部10个大气压的压力,而10个大气压,可以悬浮飞轮的质量是非常可观的。 这里假设飞轮所处的空间是真空,水银环一共有20条。转子的下方是10个大气压。受到压力差的作用,转子会被空气托起,同时转子飞轮托起并稳定地悬浮。我们将水银环之间的空气从下到上设定为10个大气压,9.5、9、8.5…1、0.5直到飞轮所处的真空,这样的阶梯设定对于其中的任意一条水银环来说,都只承担上下两侧空气的0.5个大气压的竖直向上的推力。但是多条水银环整体累加的效果,则可以承载比较大的压力差,从而将比较重的飞轮连同转子一起托起。 2.4轴承摩擦力以及优势分析 转子的底部有空气隔离,因此,转子的底部与轴座之间并没有直接的物理接触摩擦,转子的外缘与轴座之间保持间隙,也没有直接的物理硬接触,此刻转子受到的摩擦力就仅仅在于底部的空气摩擦和转子跟水银环之间的摩擦。 由于这个类型的轴承可以悬浮质量非常大的飞轮,因此可以将飞轮的转速做的比较小,用质量来牺牲转速。飞轮转速降低了,对飞轮的制造要求和成本就相应的降低。 三、具体实施例部分: 3.1一个以家庭为单位的,能存储约3度电和以电厂储能20度电的飞轮储能电池的例子 家庭储能3度 电厂储能20度 飞轮质量(Kg) 1130.4 5652 飞轮半径(米) 0.75 0.9 转速(转/秒) 30 30 转子半径(cm) 6 6 转子投影面积(cm²) 113 113 转子鼓线速度(米/秒) 11 11 水银环数量(条) 50 250 空气压力Mpa 1 5 转子鼓高度(米) 0.2 1 储能(焦耳) 11295392 81326823 储能(千瓦时) 3.14 23 表1中假设每个水银环能阻挡0.2个大气压的空气压力差,且每条水银环宽度2毫米,水银环之间的空气间隙宽度2毫米,并将主要质量集中在飞轮的外缘,除去动能/电能转换过程约5%的损耗后,仍然符合设计的要求。 3.2成本及实用性分析 第一个实施例,以家庭为单位的存储3度电的飞轮电池实施例当中,飞轮转速30转每秒,飞轮的外径1.5米,飞轮的外缘线速度达到500千米每小时,受到的离心力跟高铁车轮的离心力在相同的数量级,因此对飞轮的加工精度没有格外高的要求,因此,飞轮的材质甚至可以使用造价更低的材质,例如混凝土等有重量的物质;加工精度也不用参考上述的每秒数百转的飞轮来设计精度,大大地地降低了飞轮的生产的成本。 知识产权状况: 专利已经授权应用效果及市场前景: 通过该技术制作的飞轮电池,降低了制造和使用的成本,使其在太阳能、风能等清洁能源的领域有了实用性。技术优势: 一种飞轮电池技术:包含一种推力大、磨损小的推力轴承,以及该轴承技术在飞轮储能电池上的应用,适合于太阳能,风能的清洁能源的储能领域。
交易安全保障
1、买家交易款项将暂保管于猪八戒网担保账户,猪八戒网全程资金代管,保障买卖双方资金安全。
2、选择委托经纪人服务,均由交易经纪人验证交易品和买卖双方身份信息真实有效性。
3、猪八戒网专属律师事务所将对委托交易全程监督,确保所有交易合同及相关文件合法有效。
4、选择委托经纪人服务,并由猪八戒网向卖家代付定金;待国家知识产权局下发手续合格通知书、并经猪八戒网核实后,支付卖家尾款。
5、选择委托经纪人服务,将由交易经纪人代办国家手续,客户随时可查进度。








